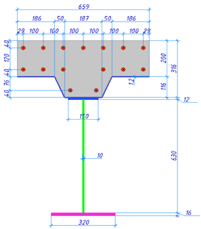
Расчет пространственного каркаса здания при различных вариантах конструирования железобетонных конструкций
Цель — продемонстрировать построение расчетной схемы, использование различных вариантов конструирования с изменением характеристик материалов, нормативов и размеров сечений, подбор арматуры для...

